Loading

System Integration Solutions

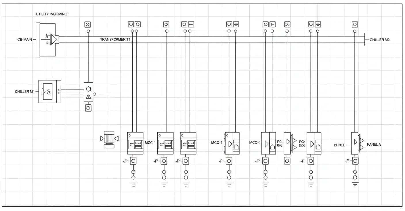
Our systems ensure every layer of your operations—from field devices to enterprise platforms—works seamlessly together, creating a fully integrated ecosystem that boosts efficiency, minimizes downtime, and improves decision-making.

Automation Integration

OUR EXPERTISE :

  • Field-Level Integration : Connecting sensors, actuators, drives, and instrumentation via industry-standard protocols like Modbus, Profibus, Profinet, and EtherNet/IP, enabling real-time data collection and monitoring.
  • Control-Level Integration : Full integration of Motor Control Centers (MCCs) and Local Control Panels (LCPs) with multi-brand PLCs, ensuring smooth communication and control of all devices.
  • Redundancy and Fail-Safes : For critical applications, we implement redundancy and fail-safe mechanisms, ensuring continuous operation even in the event of hardware or software failure.
  • Supervisory-Level Integration : SCADA dashboards provide real-time data, alarms, historian databases, and remote monitoring and control, enabling centralized oversight of operations.
  • Enterprise & IoT Integration : Seamlessly integrate data flow from the plant floor to MES/ERP systems, enabling effective resource management. We also ensure Industry 4.0 readiness with cloud connectivity and predictive analytics, along with cybersecure networking protocols like firewalls, VPNs, and encrypted communication for safe data transfer.
PLC Image

Interested in this service?

Get Quote